AZCL智能集成式電力電容器在山西某人民醫院中的應用
摘要:山西某人民醫院中,設備功率因數在0.8左右,供電局依據功率因數增減收費,功率因數小于0.9,電費增收,功率因數大于0.9電費減收,因此安裝AZCL智能集成式電力電容器進行無功補償、提高功率因數對企業發展是必不可少的。
關鍵詞:低壓智能電力電容器,無功補償,功率因數
1:概述
對于電力系統中的供電部分,提供電能的發電機是按要求的額定電壓和額定電流設計的,發電機長期運行中,電壓和電流都不能超過額定值,否則會縮短其使用壽命,甚至損壞發電機。由于發電機是通過額定電流與額定電壓之積定額的,這意味著當其接入負載為電阻時,理論上發電機得到完全的利用,因為P= UIcosφ中的cosφ=1;但是當負載為感性或容性時,cosφ<1,發電機就得不到充分利用。為了利用發電機的容量,就需要提高其功率因數。在低壓配電系統中,采用并聯電容器裝置對無功功率進行集中補償或就地補償是降低線損、節約電能合理的方法。無功功率補償的主要功效是:減少設備和線路的功率損耗;穩定電壓,提高供電質量;提高電力變壓器的承載能力;在長距離輸電中,提高系統輸電穩定性和輸電能力等。
AZCL智能集成式電力電容器集成了現代測控、電力電子、網絡通訊、自動控制、電力電容器等先進技術。改變了傳統無功補償裝置落后的控制器技術,改變了傳統無功補償裝置體積龐大和笨重的結構模式,從而使新一代低壓無功補償設備具有補償效果更好,體積更小,功耗更低,使用更加靈活,維護更加方便,使用壽命更長,可靠性更高的特點,適應了現代電網對無功補償的更高要求。
2:案例分析:
山西某人民醫院項目,總建筑面積為13372.34m2,其中地上面積為10201.73m2,地下面積3170.61m2,建筑高度為36.5m,為二類高層民用建筑,主要包括急診樓、門診樓、住院樓、后勤保障樓等。其配電系統是由數臺10/0.4KV主變壓器,經低壓配電設備向用電設備供電。急診樓一臺變壓器容量為1250Kva,負載總容量為820kw,當前功率因數為0.8,要將功率因數提高到0.95左右,其主要負載為電子設備、照明、空調及通風設備、計算機等。設備功率因數為0.8,設備開關電源諧波次數以3、5、7次為主,選用14%智能電容;空調風機功率因數為0.83,諧波次數以5、7次為主,選用7%智能電容;計算機功率因數為0.7,計算機開關電源諧波次數以3、5、7次為主,選用14%智能電容;建筑的單相負荷與三相負荷用電量相差不大,較適合采用混合補償方式,單相分補占總容量的40%左右。
3:解決方案
醫院的低壓配電系統有大量的諧波源負荷,會產生3、5、7次諧波,大量的單相非線性負荷會造成三相不平衡、諧波超標、中性線諧波過載等電能質量問題,進行無功補償需要要考慮諧波的影響。計算得無功需量為350kvar,安裝容量為480kvar,考慮到系統中帶有的諧波,安裝共補300kvar、分補180kvar容量的14%智能電容,實際功率因數達到0.94,符合要求,使用普通電容電抗,至少需要兩套寬1000*深1000的柜子,現在安裝AZCL智能集成式電力電容器,只需要兩套寬800*深800的柜子,柜體空間也大大節省,接線簡單,安裝方便,可靠性更高。
4.2 技術參數
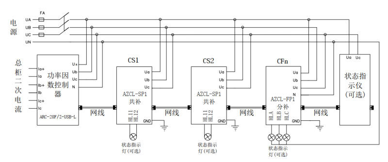
4.3 接線方式
5:結束語
在醫院項目中,功率因數普遍偏低,電費罰款較多,使用AZCL智能集成式電力電容器發出無功,提高受電端母線的電壓水平,減少了線路上感性無功的輸出,降低了電壓和功率損耗,因而提高了線路的輸電能力。安科瑞AZCL智能集成式電力電容器的在學校、醫院、工業、商業中心、居民配電、等項目中長期正常投運,可供業績參考,AZCL智能集成式電力電容器操作簡單、功能齊全,能合理地解決用戶問題,達到節能的效果。無論從經濟性還是從實用性而言,都具有廣泛的推廣價值。電網既產生有功也產生無功,而無功在電網傳輸過程中會有損耗,低壓智能電力電容進行無功補償,從而提高功率因數,節約用電成本,減少企業的開支,可減少線路的損耗,提高電網輸電的效率。




掃一掃添加微信