摘要:漏電保護的主要作用是為了在電氣運輸過程中,保護電路,其可合理識別不正常電流,在發現漏電后,及時自動切斷電源。在煤礦生產中,科學采用漏電保護措施,不論是對生產質量的提升還是生產工人的安全都有重要的作用。

關鍵詞:漏電保護;煤礦;電氣安全

0:概述

電氣安全是人們生產和生活的基礎要求和保障,但是實際用電過程中,由于操作不當或是外界環境因素的影響,經常會出現各種各樣的用電安全事故,電氣安全事故的發生不僅會危害操作人員的安全,同時其還將會造成較大的經濟損失。因此,在各項生產工作中,需要做好電氣安全保護工作

1:煤礦漏電產生的原因

煤礦井下,由于巷道窄小、潮濕,有滴水、接觸電氣設備的機會多,因此很容易引發漏電、觸電事故。生產中漏電現象一般由以下幾種原因造成。

(1)電纜及電器設備長期在潮濕的環境中使用運行,導致電氣設備受潮老化、電動機繞組散熱不良、絕緣材料變質而造成漏電現象的發生。

(2)施工安裝不當。電纜與設備連接時,由于芯線接送不牢,封堵不嚴、壓板不緊,運行或移動時造成接頭脫落或接頭松動,使相線與金屬外殼直接搭接而漏電,或者是因接送發熱過度使絕緣損壞而觸電。

(3)日常管理不到位。在日常管理中未能對對已受潮或遭水淹的電氣設備及時處理,任其在該種環境下繼續使用。

(4)因意外事故引起漏電。頂板掉落、礦車出軌、支柱傾倒等意外機械事故都會對電纜造成損傷發生漏電;大氣過電壓沿下進電纜入侵,擊穿其對地絕緣同樣會發生漏電。

2:煤礦漏電故障的危害

煤礦井下低壓電網大部分在采區,環境條件惡劣,又是工作人員和生產機械比較集中的地方,電網若發生漏電,將導致以下危險:

(1)可能造成人身觸電

當電氣設備因絕緣損壞而使外殼帶電,而工作人員又接觸此外殼時,一部分入地電流將會通過人體,其數值達到危險值時就會造成工作人員的傷亡。

(2)引起瓦斯及煤塵爆炸

我國大部分煤礦都存在瓦斯和煤塵爆炸的危險,當電網發生單相接地或設備發生單相碰殼時,在接地點就會產生電火花,若此電火花足夠,就可能點燃瓦斯和煤塵。

(3)使電雷管無準備引爆

漏電電流在其通過的路徑上會產生電位差,漏電電流的數值越大,所產生的電位差就越大。如果電雷管兩端引線不慎與漏電回路上具有一定電位差的兩點相接觸,就可能發生電雷管無準備爆炸的事故。

(4)燒損電氣設備,引起火災

長期存在的漏電電流,在通過設備絕緣損壞處時將散發出大量的熱,使絕緣進一步損壞,甚至使可燃性材料著火燃燒。

(5)嚴重影響生產

按規程要求,一旦電網發生漏電,就需要停電處理,因而嚴重影響生產,降低煤礦企業的經濟效益。

3:預防觸電的方法

預防觸電的方法很多,除應認真貫徹、執行《煤礦安全規程》的有關規定外,還應結合生產的特點,采取以下安全措施。

(1)使人身不接觸和不接近帶電體

將帶電裸導體置于一定高度、或者加保護遮攔,使人身接觸不到;礦用電氣設備的外殼與外蓋間,設置可靠的機械閉鎖裝置,以保證未合上外蓋,不能送電;通電后,不能打開外蓋。操作高壓回路,需要戴絕緣手套、穿絕緣靴,以防觸電。

(2)人身接觸較多的電氣設備采用低電壓人身接觸機會多的電氣設備造成觸電的機會較多,為保證安全、應采用較低的電壓供電。例如:手持煤電鉆、照明設備等工作電壓不得超過127V ,井下控制回路的電壓不得超過36V。

(3)設保護接地裝置

當電氣設備的絕緣損壞時,可能使正常不帶電的金屬外殼或支架帶電,如果人身觸及這些帶電的金屬外殼或支架,便會發生觸電事故。

為了防止這種觸電事故,應采取合理的保護接地措施,即將正常時不帶電的金屬外殼和支架接地,確保人身安全。用來實現電氣設備外殼或支架接地的引線和接地木及,稱為接地裝置。

(4)設漏電保護裝置

《煤礦安全規程》規定,礦井高壓和低壓電網需要裝設漏電保護裝置。一旦發生人身觸電事故,應立即切斷電源,確保安全。

4:漏電保護裝置應用目的

1) 保護工作人員的安全。各種電氣設備發生漏電后,如果工作人員觸碰到漏電的電氣設備,可能會因此觸電,對工作人員的人身安全造成較大的威脅。而漏電保護裝置使用能夠對電器設備起到保護作用,在實際生活中,人體觸碰到不同數值的額定電流時,身體所產生的反應存在較大差異。額定電流值的數值大小和觸碰時間長短,所造成的損傷也不同。結合歐姆定律分析可以知道電流和電壓是成正比的。在對電流和電壓等進行分析之后,然后設計出合理的繼電保護裝置,在電氣設備漏電之后,當人體觸碰到這些設備后,電源會自動切斷,繼而達到保護人體安全的目的。

2) 防止電氣火災發生。電氣火災也是電氣設備漏電之后經常會發生的一種現象,其屬于接地故障,接地故障的給定電流值比較小,因此線路故障點很少發生熔焊的現象,但是其卻容易導致電弧之間的錯位和地故障點形成電流。以2A電流為例,當形成的高壓溫度大于2000℃時,就容易發生火災,進而導致周圍的可燃物燃燒。針對這種現象,在部分電氣設備使用不叫頻繁的場所,需要要安裝好漏電保護裝置,進而合理地杜絕各種安全隱患及火災的發生。

3) 減少對電氣設備的損耗。電氣設備使用期間,出現漏電事故之后,很容易造成電氣設備損耗,如漏電引發火災后,畢竟會對各種電氣設備造成損害。同時,頻繁的漏電故障還可能導致電氣設備磨損,影響設備各項性能的正常使用,而漏電保護裝置的安裝,能夠及時地發現設備使用期間出現的各種故障,進而減少設備損耗。

5:剩余電流繼電器產品概述

隨著社會經濟的飛速發展,社會電氣化程度不斷提高,用電安全成為重要研究課題。常見的相與相間發生短路可以產生很大電流,可采用開關保護,而發生人體觸電、線路老化而導致的電流泄露產生的火災以及設備的接地故障都是由于漏電流所造成,漏電流一般都在30mA-3A,這些值很小,傳統開關無法進行保護,所以需要采用剩余電流動作保護裝置。

剩余電流繼電器是由剩余電流互感器來檢測剩余電流,并在規定條件下,當剩余電流達到或超過給定值時,使電器的一個或多個電氣輸出電路中的觸點產生開閉動作的開關電器。

下面介紹三種常見的漏電情況。

1、防直接接觸電擊需要采用I△n≤30mA的高靈敏度的RCD。


2、防間接接觸電擊可采用I△n大于30mA的中靈敏度的RCD。

3、防火RCD需采用4木及或2木及RCD。

對于IT系統,按規定采用剩余電流繼電器。為防止系統絕緣降低和作為二次故障后備保護,依據接線型式,采用類似 TT 或 TN 系統的保護措施。首先應采用絕緣監視裝置,預測一次故障。

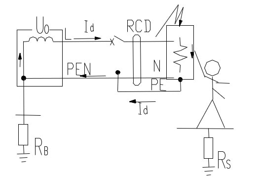
對于TT系統,推薦采用剩余電流繼電器。因為當發生單相接地故障時,故障電流很小,且較難估計,達不到開關的動作電流,外殼上將出現危險電壓。此時N線需要穿過剩余電流互感器。

對于TN-S系統,可采用剩余電流繼電器。更快速靈敏切斷故障,以提高安全可靠性,此時 PE 線不得穿過互感器,N 線需要穿互感器,且不得重復接地。

對于TN-C系統,不能采用剩余電流繼電器。因為 PE 線和 N 線合一,若 PEN 線不重復接地,當外殼帶電,互感器進出電流相等,ASJ拒動;若PEN線重復接地,部分單相電流將流入重復接地,達一定值后,ASJ 誤動。 需將TN-C系統改造成TN-C-S系統,同TN-S系統,再將剩余電流互感器接入TN-S系統中。


6:安科瑞電氣ASJ系列剩余電流繼電器產品簡介

安科瑞電氣ASJ系列剩余電流繼電器能夠滿足上述幾種漏電情況的防護,與遙控跳閘開關聯用,及時切斷電源,防止間接接觸、限制漏電電流。也可以直接作為信號繼電器,監控電力設備。特別適用于學校、商廈、工廠車間、集貿市場、工礦企業、國家消防單位、智能大廈與小區,地鐵、石油化工、電信及國防等部門用電的安全保護。

ASJ系列產品主要有兩種安裝方式,ASJ10系列為導軌安裝,外形和功能如下表所示:


ASJ20系列為面板安裝,外形和功能如下表所示:


其中AC型和A型剩余電流繼電器的區別是:AC型剩余電流繼電器是對突然施加或緩慢上升的剩余正弦交流電流能確保脫扣的剩余電流繼電器,主要監測正弦交流信號。A型剩余電流繼電器是對突然施加的或緩慢上升的剩余正弦交流電流和剩余脈動直流電流能確保脫扣的剩余電流繼電器,主要監測正弦交流信號和脈沖直流信號。

儀表具體的接線端子和典型接線如下所示:



7:結語

ASJ系列剩余電流繼電器產品能夠監測線路中的漏電流,當漏電流達到或者超過設定值時,內部繼電器動作,發出告警,并能與斷路器開關聯動,快速切斷線路,保證線路安全,ASJ系列剩余電流繼電器的使用,可為煤礦企業的安全用電提供了保障。

參考文獻

[1] 企業微電網設計與應用手冊.2020.6

[2] 趙海斌. 漏電保護器在洗煤廠的安裝使用探討[J]. 煤炭工程, 2019(S2).

[3] 袁平. 淺談漏電保護在電氣安全方面的應用[J]. 中國高新區, 2017(23):130-131.